تحليل عمليات تصنيع سبائك التيتانيوم بناءً على خصائص التصنيع والأدوات والتركيبات ومعلمات القطع، مع مقدمة لتقنيات التحكم في سلامة السطح
كبير المهندسين هوانغ تشيانغ

1. مقدمة
في السنوات الأخيرة، زاد الطلب على سبائك التيتانيوم في صناعة الطيران بشكل ملحوظ. تستخدم سبائك التيتانيوم على نطاق واسع في الطائرات الكبيرة. باعتبارها مادة تصنيع ممتازة للطائرات والمحركات، تتميز سبائك التيتانيوم بالقوة الهيكلية العالية، الوزن الخفيف، ومقاومة جيدة للتآكل. غالبًا ما تؤدي قابلية تصنيع مواد سبائك التيتانيوم إلى ضعف سلامة سطح قطعة العمل بعد التشغيل الآلي. أدناه، يتم تقديم طرق التصنيع وتقنيات التحكم في سلامة السطح لسبائك التيتانيوم الفضائية من جوانب خصائص التصنيع وأدوات القطع واختيار التثبيت ومعلمات القطع.
2. خصائص وتطبيقات سبائك التيتانيوم
في صناعة الطيران، تُستخدم سبائك التيتانيوم بشكل أساسي لتصنيع مكونات مثل أقراص ضاغط المحرك، وشفرات المروحة المجوفة، وأقراص التوربينات، وأغلفة الغلاف، بالإضافة إلى الأجزاء الهيكلية مثل معدات هبوط الطائرات الكبيرة، وأقسام الجناح الخارجي، وجلود جسم الطائرة، والأبواب، والأنظمة الهيدروليكية، وأقسام جسم الطائرة الخلفية. حاليًا، زادت نسبة استخدام سبائك التيتانيوم في صناعة الطيران من 6% إلى أكثر من 15%. تستخدم طائرة بوينغ 777 أجزاء من سبائك التيتانيوم بنسبة 7% إلى 9%؛ ولتحقيق انخفاض بنسبة 20% في استهلاك الوقود، تم استثمار ما يقرب من 2 مليار يوان صيني في تطوير طائرة بوينج 787 خصيصًا للبحث في استبدال سبائك الألومنيوم بسبائك التيتانيوم في أجزاء معينة من الطائرة، مما أدى إلى وصول محتوى سبائك التيتانيوم إلى 15% في هيكل طائرة بوينج 787. في مشاريع الطائرات الكبيرة المحلية، زاد استخدام سبائك التيتانيوم تدريجيًا من 4.8% في الطائرة النفاثة الإقليمية ARJ21 إلى أكثر من 9% في بطانة صندوق السيارة C919.
إن متطلبات الوزن الخفيف الهيكلي والقوة العالية في مجال الطيران تجعلها تعتمد بشكل متزايد على سبائك التيتانيوم. استنادًا إلى القوة والأداء العالي في درجات الحرارة-، يمكن تصنيف سبائك التيتانيوم إلى سبائك تيتانيوم، وسبائك تيتانيوم، + سبائك تيتانيوم، ومركبات ألومنيوم بين معادن التيتانيوم-، ومن بينها + سبائك التيتانيوم (مثل Ti6Al4V) هي الأكثر استخدامًا على نطاق واسع. تتمتع سبائك التيتانيوم بقابلية لحام حرارية جيدة ومقاومة قوية للأكسدة، ولكنها متوسطة الصلابة؛ تتمتع سبائك التيتانيوم بقابلية أفضل للتشكيل، والتشكيل على البارد، وقدرة على تقوية المعالجة الحرارية؛ + تتميز سبائك التيتانيوم بصلابة جيدة، وقابلة للحام ويمكن تقويتها بالمعالجة الحرارية، ولها مقاومة جيدة للتعب.
يتضمن التركيب المادي لـ Ti6Al4V بشكل أساسي Ti، وAl، وV، وFe، وO، وC، وSi، وCu، وكميات صغيرة من N، H، B، وY. تتمتع سبائك التيتانيوم بخصائص ميكانيكية شاملة ممتازة، وكثافة منخفضة، ومقاومة جيدة للتآكل. وباعتبارها مادة سبيكة-عالية القوة، فقد تم الترويج لها باستمرار لاستخدامها في محركات الطائرات وصناعة الطيران. ومع ذلك، فإن درجات الحرارة المرتفعة وقوى القطع العالية أثناء تصنيع سبائك التيتانيوم تؤدي إلى تصلب العمل الشديد على سطح الآلة، مما يؤدي إلى تفاقم تآكل الأدوات ويؤدي إلى ضعف القدرة على التصنيع. هذه العوامل تضر بتحقيق جودة سطحية جيدة وتؤثر على عمر خدمة مكونات سبائك التيتانيوم وأداء المحرك. أدناه، باستخدام Ti6Al4V كموضوع بحث والجمع بين الخبرة المتراكمة في ممارسة الإنتاج، يتم تقديم أداء القطع وطرق التصنيع وتقنيات فحص السطح لأجزاء سبائك التيتانيوم.
3. طرق تصنيع سبائك التيتانيوم
3.1 اختيار الأداة
يجب أن تتمتع مواد الأدوات المستخدمة في تصنيع سبائك التيتانيوم بخصائص مثل المتانة الجيدة والصلابة الساخنة وتبديد الحرارة ومقاومة التآكل. بالإضافة إلى ذلك، يجب أن تلبي الأدوات متطلبات مثل حواف القطع الحادة والسطح الأملس. عند تصنيع مواد سبائك التيتانيوم، يفضل استخدام أدوات الكربيد ذات الموصلية الحرارية الجيدة والقوة العالية، والتي تتميز بزاوية مشط صغيرة وزاوية تخفيف كبيرة. لمنع تقطيع وكسر طرف الأداة، يجب أن يكون لحافة القطع عند الطرف انتقال دائري. يجب أن تظل حافة القطع حادة أثناء التشغيل الآلي لتسهيل إزالة الرقاقة في الوقت المناسب وتجنب التصاق الرقاقة.
عند تصنيع سبائك التيتانيوم، لمنع تفاعلات التقارب بين الطبقة الأساسية/الطلاء للأداة وسبائك التيتانيوم، والتي قد تؤدي إلى تسريع تآكل الأداة، يتم بشكل عام تجنب أدوات الطلاء التي تحتوي على التيتانيوم-والكربيدات والتيتانيوم-. لقد توصلت سنوات من ممارسة الإنتاج إلى أنه على الرغم من أن أدوات التيتانيوم-المحتوية على الكربيد تكون عرضة للالتصاق والتآكل، إلا أنها تتمتع بقدرة ممتازة على مقاومة-التآكل الانتشاري، خاصة أثناء القطع-بسرعة عالية، حيث يكون أدائها أفضل بشكل ملحوظ من أدوات الكربيد من النوع YG-.
أدخلت كبرى الشركات المصنعة للأدوات العالمية إدخالات القطع خصيصًا لتصنيع أجزاء سبائك التيتانيوم. أدت التحسينات المستمرة في مواد الأدوات ومواد الطلاء إلى تعزيز كفاءة القطع لمواد سبائك التيتانيوم وتعزيز تطوير صناعة سبائك التيتانيوم. على سبيل المثال، تعد إدخالات IC20 من ISCAR، ذات الحواف القطعية الحادة، مناسبة لإنهاء قطع العمل المصنوعة من سبائك التيتانيوم. تعمل إدخالات IC907 الخاصة بها على تحسين مقاومة التآكل بشكل فعال، وهي مناسبة للتشطيب الخام وشبه التشطيب. إن CP200 وCP500 من SECO لتصنيع سبائك التيتانيوم تتميز بصلابة -عالية، ومواد محببة فائقة الدقة- تستخدم تقنية الترسيب الفيزيائي للبخار (PVD). توفر WSM30 وWSM20 وWAM20 من Walter، باستخدام طلاءات TiCN وTiAlN وTiN وAl₂O₃، مقاومة قوية للتشوه والتآكل. الأدوات والطلاءات شائعة الاستخدام لتصنيع سبائك التيتانيوم مبينة في الجدول 1.

وفقًا للإحصاءات، يعتمد قطاع تصنيع الطيران بشكل كبير على الأدوات المستوردة، ويزداد الاعتماد على المواد التي يصعب تصنيعها--مثل سبائك التيتانيوم. لذلك، يعد تعزيز تطوير وتطبيق الأدوات المحلية ومواد الطلاء طريقة فعالة لحل مشكلة تصنيع سبائك التيتانيوم في الصين بشكل أساسي.
3.2 تآكل الأدوات والحلول
عند معالجة سبائك التيتانيوم بسرعات قطع عالية وأعماق قطع كبيرة، يتشكل تآكل الحفرة (تآكل الجانب) على وجه المشعل عند نقطة أعلى درجة حرارة للقطع، مع وجود أرض مميزة بين الحفرة وحافة القطع. يتوسع عرض الحفرة وعمقها تدريجيًا مع تقدم التآكل، مما يقلل من صلابة حافة القطع، مما قد يؤدي إلى التقطيع إذا استمر استخدام الأداة. تظهر صورة مجهرية إلكترونية لتآكل الإدخال في الشكل 1.
أ) تآكل الحفرة مع ظاهرة التقطيع. ب) ارتداء الجناح

ج) الحافة المبنية-.

أثناء تصنيع سبائك التيتانيوم، يؤدي الاحتكاك الشديد بين المدخلات وقطعة العمل إلى تآكل سطح الإغاثة بالقرب من حافة القطع، مما يشكل أرض تآكل صغيرة بزاوية تخفيف صفرية، والمعروفة باسم تآكل الجوانب. بالإضافة إلى ذلك، بسبب تصلب سبائك التيتانيوم، فإن سمك القطع عند مقدمة الأداة على حافة القطع البسيطة يتناقص تدريجيًا، مما يتسبب في انزلاق حافة القطع، مما يؤدي أيضًا إلى تآكل كبير على سطح الإغاثة.
بعد حدوث تآكل الأداة، يمكن تعديل معلمات القطع مثل سرعة القطع ومعدل التغذية من خلال مراقبة مورفولوجيا الرقاقة واللون، بالإضافة إلى قوة أداة الآلة، والصوت، والاهتزاز، للتحكم في التآكل غير الطبيعي لوجه المشط. يمكن أن يؤدي استخدام الأشكال الهندسية لإدراج زاوية الجرف الموجبة واختيار مواد إدخال أو طبقات مقاومة للتآكل- إلى تحسين عمر الأداة.
تكون الحافة المبنية-(BUE) عرضة للتشكل أثناء تصنيع سبائك التيتانيوم. عندما يكون BUE مستقرًا، يمكنه حماية الأداة من خلال العمل كطليعة. ومع ذلك، عندما ينمو BUE إلى حد معين، فإن قمته تمتد إلى ما هو أبعد من حافة القطع، مما يزيد من زاوية مشط العمل الفعلية. يؤثر تراكم وانفصال BUE بشكل مباشر على دقة المعالجة. تشكل شظايا BUE الملتصقة بالسطح المشغول آليًا لسبائك التيتانيوم بقعًا صلبة ونتوءات، مما يؤثر على جودة السطح. يتسبب التساقط والتجديد غير المنتظمين لـ BUE في حدوث تقلبات في قوة القطع، مما يؤدي إلى الثرثرة والتأثير على عمر الأداة. تشمل الطرق الشائعة في ممارسات الإنتاج لتقليل أو تجنب تكوين BUE في قطع سبائك التيتانيوم ما يلي: زيادة سرعة القطع، وزيادة عمق القطع تدريجيًا إلى المستوى الأمثل؛ باستخدام مواد إدراج مطلية بـ PVD-؛ استخدام أنظمة تبريد عالية الضغط-، وما إلى ذلك.
في عمليات القطع، نظرًا لانخفاض اللدونة لسبائك التيتانيوم، تكون منطقة التلامس بين الشريحة ووجه المشعل صغيرة، ويحدث تآكل الأداة بشكل أساسي على وجه المشعل لأداة الخراطة. لذلك، يجب اختيار مدخلات القطع بزاوية مشط صغيرة، عادةً من 0 درجة إلى 5 درجات. تعمل زاوية المشط الصغيرة على زيادة منطقة الاتصال بين الشريحة ووجه المشط بشكل فعال، مما يساعد على تبديد الحرارة المركزة بالقرب من حافة القطع. يمكن أن يؤدي اختيار زاوية تخفيف من 5 درجات إلى 10 درجات إلى تقليل الاحتكاك بين الأداة والجزء. إن اختيار مجموعة سطح التلامس على شكل V- بين قاعدة الإدخال وحامل الأداة، وتصميم هيكل التثبيت القوي، يمكن أن يحسن بشكل فعال صلابة التثبيت لحامل الأداة، ويزيل اهتزاز الأداة، ويحسن جودة سطح قطعة عمل سبائك التيتانيوم المُشكَّلة آليًا.
3.3 اختيار لاعبا اساسيا
عند وضع وتثبيت قطع عمل سبائك التيتانيوم، فإن التفاعل بين قوة التثبيت للتركيبات والقوة الداعمة على قطعة العمل يمكن أن يسبب تشوه الإجهاد في الحالة الحرة. تعتبر مقاومة قوة القطع أثناء تصنيع سبائك التيتانيوم كبيرة، لذلك يجب أن يتمتع نظام المعالجة بالصلابة الكافية. يجب تحليل هيكل تحديد موضع قطعة العمل وأبعادها، واختيار نقاط مرجعية مستقرة وموثوقة، وإضافة دعامات مساعدة أو استخدام أكثر من -قيد إذا لزم الأمر لزيادة صلابة الجزء. بما أن سبائك التيتانيوم عرضة للتشوه، فلا ينبغي أن تكون قوة التثبيت مفرطة؛ يمكن استخدام مفتاح عزم الدوران إذا لزم الأمر لضمان قوة تثبيت مستقرة. علاوة على ذلك، عند استخدام التركيبات لوضع أجزاء سبائك التيتانيوم وتثبيتها، تأكد من التوافق الجيد بين سطح تحديد مكان التركيب وسطح تحديد مكان قطعة العمل، وموازنة قوة التثبيت الخاصة بالتركيب مع القوة الداعمة لقطعة العمل. بالنسبة لأسطح التثبيت الكبيرة نسبيًا، يجب استخدام طريقة التثبيت الموزعة قدر الإمكان لتجنب التشوه الناتج عن الضغط المركز. يجب أن تكون نقاط التثبيت الخاصة بمشابك التثبيت قريبة قدر الإمكان من سطح قطعة العمل المُشكَّلة لتقليل الاهتزاز الناتج أثناء قطع سبائك التيتانيوم.
يُمنع منعًا باتًا استخدام التركيبات أو أدوات القياس أو الأدوات المؤقتة المتنوعة التي تحتوي على الرصاص أو الزنك أو النحاس أو القصدير أو الكادميوم أو معادن ذات درجة انصهار منخفضة-- في تصنيع سبائك التيتانيوم. يجب أن تظل المعدات والتركيبات والأدوات المستخدمة في سبائك التيتانيوم نظيفة وغير ملوثة. يجب تنظيف قطع عمل سبائك التيتانيوم فورًا بعد التصنيع، ولا يُسمح ببقايا الرصاص والزنك والنحاس والقصدير والكادميوم والمعادن ذات درجة الانصهار المنخفضة-- وما إلى ذلك على أسطح سبائك التيتانيوم. يجب استخدام حاويات نقل خاصة عند نقل ومناولة قطع عمل سبائك التيتانيوم لتجنب خلطها وتخزينها مع قطع عمل من مواد أخرى. عند فحص وتنظيف أسطح سبائك التيتانيوم المُشكَّلة بدقة، ارتدِ قفازات نظيفة لمنع التلوث بالزيت وبصمات الأصابع، مما قد يتسبب في حدوث تشقق بسبب التآكل الإجهادي ويؤثر على أداء الخدمة لقطعة عمل سبائك التيتانيوم.
3.4 معلمات القطع
معلمات القطع الرئيسية لسبائك التيتانيوم هي سرعة القطع، ومعدل التغذية، وعمق القطع، مع كون سرعة القطع هي العامل الأساسي الذي يؤثر على قابلية التشغيل. تشير الاختبارات المقارنة بين القطع بسرعة الدوران الثابتة والقطع بسرعة السطح الثابتة لقطع عمل سبائك التيتانيوم إلى أن القطع بسرعة الدوران الثابتة يؤدي أداء أسوأ من القطع بسرعة السطح الثابتة. عندما تكون سرعة القطع vc=60 م/دقيقة، ومعدل التغذية f=0.127 مم/دورة، وعمق القطع ap=0.05–0.1 مم لسبائك التيتانيوم، نادرًا ما يتم العثور على طبقة صلبة على سطح سبائك التيتانيوم.
بما أن الطبقة الصلبة تظهر بشكل رئيسي على سطح قطعة العمل بعد الانتهاء، فلا ينبغي أن يكون عمق القطع أثناء التشطيب كبيرًا جدًا، وإلا فإنه سيولد حرارة قطع كبيرة. يمكن أن يؤدي تراكم حرارة القطع إلى حدوث تغييرات في البنية المعدنية لسطح سبائك التيتانيوم، مما يؤدي بسهولة إلى إنشاء طبقة صلبة على سطح الجزء. يمكن أن يؤدي عمق القطع الصغير للغاية إلى حدوث احتكاك وقذف على سطح قطعة العمل، مما يؤدي إلى تصلب العمل. لذلك، أثناء معالجة قطع عمل سبائك التيتانيوم، يجب أن يكون عمق القطع للتشطيب أكبر من حجم شحذ الأداة (تحضير الحافة).
يجب أن يكون اختيار معدل التغذية لسبائك التيتانيوم معتدلاً. إذا كان معدل التغذية صغيرًا جدًا، فإن الأداة تقطع الطبقة الصلبة أثناء المعالجة، مما يؤدي إلى تآكل أسرع. يمكن تحديد معدل التغذية بناءً على أنصاف أقطار أنف الأداة المختلفة. يختار التشطيب عمومًا معدل تغذية أصغر نظرًا لأن معدل التغذية الكبير يزيد من قوى القطع، مما يؤدي إلى تسخين الأداة وثنيها أو تشققها. يوضح الجدول 2 المعلمات المشتركة لقطع سبائك التيتانيوم بأنواع ومواد مختلفة من الأدوات.

3.5 نظام التبريد
إن متطلبات قطع السوائل في قطع سبائك التيتانيوم تكون منخفضة التغشية. -يجب اختيار أدوات التبريد ذات الضغط العالي لمعالجة سبائك التيتانيوم، 配合机床高压泵،冷却压力可达(60–150) × 10⁵Pa (حوالي 60–150 بار). يمكن أن يؤدي استخدام أدوات التبريد ذات الضغط العالي - لتصنيع سبائك التيتانيوم إلى زيادة سرعة القطع بمقدار 2-3 مرات، وإطالة عمر الأداة، وتحسين شكل شرائح سبائك التيتانيوم. عند تطبيق سائل القطع أثناء تصنيع سبائك التيتانيوم، يتم تقليل قوة القطع بنسبة 5%-15% مقارنة بالقطع الجاف لسبائك التيتانيوم، ويتم تقليل القوة الشعاعية بنسبة 10%-15%، ويتم تقليل درجة حرارة القطع بنسبة 5%-10%، ويكون الشكل السطحي لسبائك التيتانيوم المُشكَّلة أفضل مع التصاق أقل كثافة، مما يفضي إلى الحصول على جودة سطح أعلى.
المستحلب الكيميائي Trim E206 المستخدم حاليًا، الممزوج من تركيز 8% و92% ماء نقي، بتركيز 7%-9%، يحقق نتائج تصنيع جيدة في معالجة مواد سبائك التيتانيوم ويمكن استخدامه في عمليات الخراطة والطحن والطحن. يحتوي Trim E206 على إضافات خاصة تتحكم بشكل فعال في تكوين الحافة العلوية المبنية-. يحتوي سائل القطع على جزيئات مستحلبة صغيرة، مما يعمل على تحسين استقرار سائل القطع وتقليل الحمل- أثناء المعالجة، مما يسهل على سائل القطع الدخول إلى منطقة القطع. بالإضافة إلى ذلك، يتمتع Trim E206 بمقاومة قوية للتلوث بالزيت، كما أن بقايا سائل القطع قابلة للذوبان بسهولة في الماء وسائل العمل، مما يساعد في الحفاظ على نظافة المعدات وأسطح الأجزاء المُشكَّلة.
4. سلامة سطح سبائك التيتانيوم
4.1 فحص البنية المجهرية للمطروقات من سبائك التيتانيوم
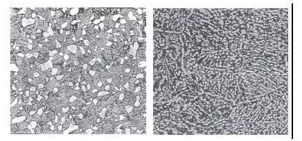
يتضمن فحص البنية المجهرية لسبائك التيتانيوم فحص سطح جزء من سبائك التيتانيوم المحفور تحت المجهر الإلكتروني لمراقبة الخصائص المورفولوجية والتوزيع وما إلى ذلك للبنية المجهرية للمادة، المستخدمة للتحقق مما إذا كان الهيكل المعدني لسبائك التيتانيوم يتوافق مع المعايير ذات الصلة ومواصفات الرسم. خطوات فحص البنية المجهرية للمطروقات من سبائك التيتانيوم هي: المعالجة الخشنة للمطروقات ← تلميع السطح ← حفر السطح ← التنظيف ← التجفيف ← الفحص المجهري. يظهر الفحص المجهري لسبائك التيتانيوم Ti6Al4V في الشكل 2.
أ) تلميع السطح ب) النقش السطحي

ج) الشطف بالماء د) الفحص المجهري

الغرض من المعالجة الخشنة للتزوير هو إزالة العلبة تمامًا. يتم صقل سطح سبائك التيتانيوم باستخدام ورق صنفرة الألومينا بأحجام الحبيبات 400#–800#، ويجب أن تصل خشونة السطح إلى Ra=0.025 ميكرومتر أو متطلبات درجة أعلى. يستخدم التنميش كاشف كرول، المحضر على شكل محلول مائي 2% HF، 4% HNO₃. يتم تطبيق كمية مناسبة من كاشف كرول على سطح سبائك التيتانيوم المصقول حتى يتم الحصول على البنية الواضحة المطلوبة، ثم يتم شطفها في الماء وتجفيفها. يتم استخدام مجهر إلكتروني محمول لفحص سطح سبائك التيتانيوم. يجب أن يحتوي الهيكل على 10%-50% أساسي. يمثل التشكل المجهري لسبائك التيتانيوم Ti6Al4V الموضح في الشكل 3 بنية ميتالوغرافية مؤهلة.
أ) أساسي في -المصفوفة المحولة ب) غير مستمر عند حدود الحبوب

ج) رقائقي في الحبوب

4.2 فحص التآكل الأنودي الأزرق لسبائك التيتانيوم
أثناء تصنيع سبائك التيتانيوم، عندما يحدث تآكل لجانب الأداة، تنخفض مقاومة تأثير الأداة تدريجيًا، مما يؤدي إلى تصلب العمل على سطح سبائك التيتانيوم المُشكَّل آليًا بسبب البثق والسخونة الزائدة. تُستخدم طريقة التآكل الأنودة الزرقاء بشكل شائع للكشف عن التصلب والعيوب الأخرى. يظهر في الشكل 4 سطح قطعة عمل سبائك التيتانيوم بعد التآكل الأنودي الأزرق. بعد الذوبان اللاحق للمعالجة لقطعة عمل سبائك التيتانيوم المؤكسدة، يجب أن يكون لون فيلم الأكسيد المؤهل أزرق فاتح موحد (انظر الشكل 4 أ). تظهر قطع العمل - المصنوعة من سبائك التيتانيوم المقوية، بعد فحص التآكل، سطحًا أزرق داكن (انظر الشكل 4ب) أو مناطق داكنة موضعية (انظر الشكل 4ج)، مع توزيع غير متساوٍ للألوان عبر مناطق مختلفة.
أ) أزرق فاتح موحد ب) أزرق داكن ج) أزرق داكن موضعي

بعد التآكل الأنودي الأزرق، بالنسبة للأجزاء التي تظهر عليها تصلب العمل، يمكن استخدام طرق مثل ضبط مادة أداة القطع، والطلاء، وزوايا القطع لتصنيع سبائك التيتانيوم، وتحسين مسارات الأدوات ومعلمات القطع، للتحكم في تصلب العمل والقضاء عليه.
4.3 التشطيب السطحي لسبائك التيتانيوم
لإزالة عيوب السطح من أقراص ضاغط سبائك التيتانيوم، والمحاور، والدفاعات، والأعمدة، والفواصل الدوارة، وتحسين عمر خدمة الأجزاء، بعد إكمال جميع عمليات التشغيل الميكانيكية على قطعة عمل سبائك التيتانيوم، يمكن استخدام تشطيب قرص الرفرف اليدوي لتشطيب السطح. يتطلب تشطيب القرص الرفرف استخدام أدوات التشطيب الموضحة في الشكل 5: أداة هوائية دوارة (سرعة 18000 دورة في الدقيقة)، وشياق تلميع، وقماش جلخ من الألومينا أو كربيد السيليكون (المواصفات 10 مم × 20 مم، وحبيبات 120#).
أ) أداة الهواء الدوارة ب) شياق التلميع ج) القماش الكاشطة

يظهر الشكل 6 تشطيب الأخدود الداخلي لقطعة عمل من سبائك التيتانيوم. ولتحقيق نتائج تشطيب جيدة، يمكن استخدام الطرق التالية:
قم بطي قطعة قماش الألومينا الكاشطة بالطول وأدخلها بقوة في فتحة التثبيت الموجودة في الطرف الأمامي لشياق التلميع. قم بربطه في الاتجاه المعاكس لاتجاه دوران الشياق. قم بالتغيير إلى قطعة قماش كاشطة جديدة بعد الانتهاء من كل مساحة سطح قطعة عمل (انظر الشكل 6أ).
يجب أن تتحرك قطعة القماش الكاشطة الدوارة على سطح سبائك التيتانيوم لدورة واحدة أو دورتين، وتدوم كل دورة من 10 إلى 30 ثانية، مع سرعة ترددية تبلغ حوالي 1.57 مم/ثانية (انظر الشكل 6 ب).
عند الانتهاء من الأسطح المختلفة لقطعة عمل سبائك التيتانيوم، قم بتغيير القماش الكاشط بين الدورات. أثناء التشطيب اليدوي، استخدم مفتاح إيقاف مناسب أو جهاز ميكانيكي لإيقاف العمق للتحكم في مرور قطعة القماش الكاشطة الدوارة. أ) تركيب قطعة القماش الكاشطة ب) التلميع الدوار
5. الاستنتاج
تعتبر سبائك التيتانيوم مادة نموذجية يصعب تصنيعها--. نظرًا لقوى القطع العالية، ودرجات حرارة القطع المرتفعة، والتآكل الشديد للأدوات أثناء التشغيل، فإن اختيار مواد الأدوات المعقولة وهندسة الإدخال هو التحدي الرئيسي في تصنيع سبائك التيتانيوم. تتميز الأدوات المحتوية على الكربيد Ti- بأداء جيد ضد تآكل الانتشار-. أثناء القطع، تتشكل طبقة التصاق مستقرة من سبائك التيتانيوم على سطح الأداة، والتي يمكن أن تمنع التآكل. مع تطور الأدوات المحلية، تحسنت كفاءة تصنيع سبائك التيتانيوم تدريجيًا، مما أدى إلى توفير تكاليف التصنيع ولعب دور إيجابي في تحقيق التوطين الشامل للمحركات. في ممارسة الإنتاج، يجب أن تعتمد معالجة سبائك التيتانيوم على ظروف المؤسسة الحالية فيما يتعلق بالتكنولوجيا والمعدات والإدارة والتكلفة. يجب اختيار تركيبات تحديد المواقع بشكل معقول، ويجب تحسين معلمات القطع باستخدام منصة بيانات المعلومات الخاصة بالمؤسسة، والابتعاد تدريجيًا عن مفهوم التشغيل الشامل المتمثل في اختيار المعلمات بناءً على الخبرة والقياس فقط.
من خلال إجراء عمليات فحص البنية المجهرية على مطروقات سبائك التيتانيوم، يمكن مقارنة وتقييم البنية المعدنية لسبائك التيتانيوم المُشكَّلة تقريبًا. يمكن للمعالجة النهائية أن تزيل بشكل فعال عيوب التصنيع والمواد على سطح سبائك التيتانيوم، مما يحسن عمر خدمة قطعة العمل. يمكن لفحص التآكل المؤكسد الأزرق أن يحدد بشكل فعال العيوب مثل تصلب العمل الذي يحدث أثناء تصنيع سبائك التيتانيوم. يعد التحكم الفعال في سلامة سطح سبائك التيتانيوم المُشكَّلة أمرًا ذا أهمية كبيرة لتحقيق الاستقرار في جودة تصنيع سبائك التيتانيوم وتحسين عمر خدمة قطع عمل سبائك التيتانيوم.
تم نشر هذه المقالة فيتشغيل المعادن (الأعمال الباردة)، العدد 7، 2021، الصفحات 1-5، من تأليف Huang Qiang من AECC Xi'an Aero-Engine Ltd.، بعنوان في الأصل "طرق التصنيع وتكنولوجيا التحكم في سلامة السطح لسبائك التيتانيوم الفضائية".





